soucis electrique t2 (vitre avd)

Modérateurs : christian.styling, vincent sch

Répondre
Avatar du membre
allanland
Quatre-Quatreux
Messages : 4550
Date d’inscription : décembre 2008
Localisation : Drôme Provençale
Statut : Hors ligne

soucis electrique t2 (vitre avd)

#1

Message par allanland »

Salut

J'ai bricolé un T2 2 portes de 1996, pour lui changer le leve vitre coté conducteur et son proprio me signale que la vitre coté droite ne fonctionne pas.

Après avoir démonté le panneau de porte et sorti le mécanisme du leve vitre, on a découvert que tout est bon (dans le cochon :D ) mais que le problème se situe au niveau du bouton de commande de la vitre Avd qui est sur la console du frein à main.

En fait, mon collègue a amené son terrano chez un mécano :hein: qui lui a réglé le frein à main et qui a débranché plusieurs fils du contacteur de leve vitre droit en enlevant la console de frein à main.

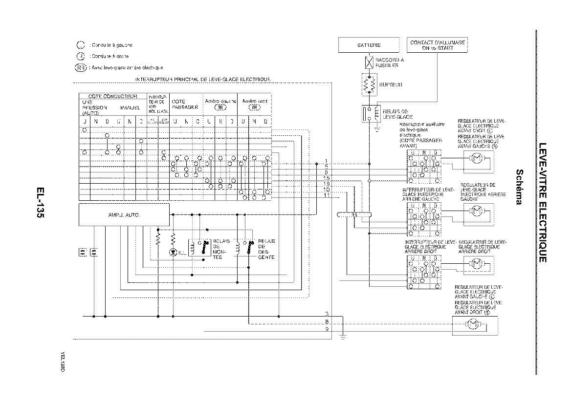
J'ai regardé sur la RTA, mais le schéma correspond aux 4 portes et n'est pas très explicite.

Est-ce qu'il y aurait quelqu'un qui pourrait me prendre en photo le contacteur vue de dessous, avec les fils branchés, ou me signaler sur quelles bornes faut-il brancher les fils.

A ma souvenance, il y a huit broches sur l'interrupteur, dont 6 sont utilisées ( et 4 sur les 6 étaient débranchées)


Au secours !!!!!!!! ............................................. :eek: :eek: :eek:
Nous sommes plusieurs dans ma tête ... mais c'est MOI le chef !!!!!!!!
ImageImage
Avatar du membre
skalraf
Quatre-Quatreux
Messages : 7332
Date d’inscription : mai 2007
Localisation : 84
Contact :
Statut : Hors ligne

Bijour,

#2

Message par skalraf »

j'ai pas les vitres electriques :D :D :D




Cordialement Raf :eek: .
Terrano II 2,7TDi 2003
Avatar du membre
skalraf
Quatre-Quatreux
Messages : 7332
Date d’inscription : mai 2007
Localisation : 84
Contact :
Statut : Hors ligne

Bijour,

#3

Message par skalraf »

si cela peut aider.

---->[clic]<----







Cordialement Raf :eek: .
Terrano II 2,7TDi 2003
Avatar du membre
allanland
Quatre-Quatreux
Messages : 4550
Date d’inscription : décembre 2008
Localisation : Drôme Provençale
Statut : Hors ligne

re: soucis electrique t2 (vitre avd)

#4

Message par allanland »

Merci pour le schéma skalraf, mais mon collègue n'a pas le temps de me laisser son terrano pour que je teste les fils et que je les rebranches correctement.

Je suis plus à la recherche d'un truc tout fait, du style :

Le fil rouge sur le bouton rouge, le fils bleu sur le bouton bleu :eek:

mais sympa pour le coup de main ;)
Nous sommes plusieurs dans ma tête ... mais c'est MOI le chef !!!!!!!!
ImageImage
Avatar du membre
skalraf
Quatre-Quatreux
Messages : 7332
Date d’inscription : mai 2007
Localisation : 84
Contact :
Statut : Hors ligne

Re-bijour,

#5

Message par skalraf »

met lui une manivelle après plus de soucis :D :D :D .
Désole, il n'est même pas pré-câblé
.



Cordialement Raf :eek: .
Terrano II 2,7TDi 2003
Avatar du membre
allanland
Quatre-Quatreux
Messages : 4550
Date d’inscription : décembre 2008
Localisation : Drôme Provençale
Statut : Hors ligne

re: soucis electrique t2 (vitre avd)

#6

Message par allanland »

:D :D :D
Nous sommes plusieurs dans ma tête ... mais c'est MOI le chef !!!!!!!!
ImageImage
Répondre